行业知识

高压流量自控仪

2022-03-22 15:00:47 乐动体育在线注册,乐动体育(中国)

高压流量自控仪

技术性能参数:


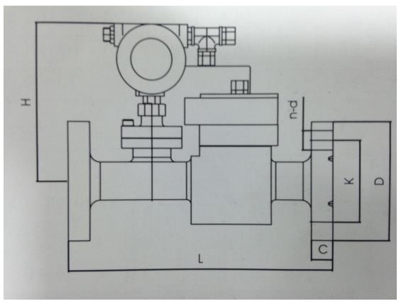
一、外形尺寸:


1、直式

图片关键词

图片关键词

2、角式一体

图片关键词

图片关键词

3、角式分体

图片关键词

材质:碳钢、304不锈钢;

螺栓尺寸:


二、流量计的密封性能及材料的选型,密封的规格:


仪表出厂都是经过严格打压检验流程的,密封性好;整体机械结构设计合理部件之间紧密衔接,使用的o型圈都是匹配尺寸的高质量的;


三、影响流量计安装的因素,安装流量计时需要注意的地方,有什么工艺流量需要注意:


安装方面:自控仪采用速度式计量原理,所以需要前后一定直管段;


注水工艺方面:高压流量自控仪注水工艺相当关键,如果整体注水工艺设计不合理,就会造成,流量计注水注入不了,要求流量仪表前后必须有压差,并且当井下采用无源输出泵时,必须要求,泵前压力大于泵的启动压力,否则注水注不进去;


四、供电及控制方面:


供电方面:220V±20%及电池供电;


控制原理:


总体控制理论:


主要应用了PID控制算法,PID控制器由比例单元(P)、积分单元(I)和微分单元(D)组成。其输入e(t)与输出u(t)的关系为:


u(t)=kp[e(t)+1/TI∫e(t)dt+TD×de(t)/dt],式中积分的上下限分别是0和t。


传递函数为:G(s)=U(s)/E(s)=kp[1+1/(TI×s)+TD×s],其中kp为比例系数;TI为积分时间常数;TD为微分时间常数。


此系统是闭环控制系统,当修改设定量的值时,输入量和输出量如果有偏差时,就会有一个反馈信号快速的响应,智能控制执行机构,使当前流量和设定量控制在可调的精度范围内,还可以修改控制步幅,使阀门转动角度更大;当前后压差较大时,可减小控制步幅,使控制平稳调节。


当系统出先阀门前压力小于阀门后压力时,能够智能的快速发出危险信号给执行机构,快速的关闭阀门,防止注水倒流。

边界条件:


有大限位(大小限位可以选择),当阀门全都打开时,再向开的方向转时,就会触发大限位,从而使阀门停止开,只有减小流量使阀门关闭,或者手动关闭阀门,才能解除大限位信号;


当阀门刚好全都关闭时,再向关的方向转时,就会触发小限位,从而使阀门停止关,只有加大流量使阀门打开,或者手动打开阀门,才能解除小限位信号;


控制原理图:

图片关键词

五、485通讯:

1、通讯接口:接口方式:RS485 接口、异步、半双工数据格式:使 用二进制数据 格式,一个起 始位、八个数 据位、无校验 位、一个位.一个停止位波特率: 9600bps数据帧最大长度:1Byte 地址 + 253Byte 数据 + 2Byte CRC 校验 = 256 Byte浮点数格式:1-0-3-2;支持地址:1-32(适用于通讯小板);新表头支持地址1-255;帧结构功能码03/ 04:读 16 位整型变量或浮点型变量数据

图片关键词

错误代码:

01H :功能码不被支持

02H :开始寄存器地址不正确或开始寄存器地址加寄存器个数不正确

03H :寄存器个数不在 1~125 之间

04H :读数据不成功








TAG: 流量
首页
产品
新闻
联系