新闻动态

  • PLC定时器详解及案例分析

    PLC的定时器可分为两大类,功能定时器和定时器线圈指令。两者之间的区别在于功能定时器可以监控剩余时间,而定时器线圈指令不可监控剩余时间,可以认为定时器线圈指令是功能定时器的缩水版,更为省事。

    2024-10-09 乐动体育在线注册,乐动体育(中国)

  • #6机B循环水泵出口液控蝶阀故障分析

    7月22日夜间23点多,运行通知热工值班人员“#6机B循环水泵出口液控蝶阀显示黄色故障(运行中开信号消失)”,当时到现场检查,怀疑为开到位中间继电器坏,经值长同意更换后,故障依旧,为了安全起见,综合考虑后,决定晚上暂不处理。 23日上班8点多,我们安排人员到现场检查情况。观察发现,循环水泵在运行,液控蝶阀实际开到位,就地控制柜上开到位指示灯不亮,但就地开到位和关到位接近开关指示灯都亮(开到位灯正常亮,关到位相对较暗),查看就地控制柜内PLC上的相应DI指示灯, 7、8、9三个灯都亮。13灯亮。DO输出,一个通道也没有亮。

    2024-08-16 乐动体育在线注册,乐动体育(中国)

  • #4炉A磨油站PLC故障处理

    #4炉A磨油站PLC故障处理

    2023-09-15 乐动体育在线注册,乐动体育(中国)

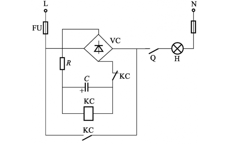
  • 怎样用中间继电器控制的闪光信号灯电路是?

    怎样用中间继电器控制的闪光信号灯电路是?

    2023-07-14 KWZK

  • 中间继电器和继电器模组有什么区别?哪个接线更方便?

    中间继电器和继电器模组有什么区别?哪个接线更方便?

    2023-07-12 KWZK

  • 电力变压器的保护配置知识分享

    电力变压器的保护配置知识分享

    2023-04-20 乐动体育在线注册,乐动体育(中国)

  • 直流系统接地的处理方法知识分享

    直流系统接地的处理方法知识分享

    2023-04-03 乐动体育在线注册,乐动体育(中国)

  • 电力变压器的保护配置

    电力变压器的保护配置

    2023-03-27 乐动体育在线注册,乐动体育(中国)

上一页12下一页 转至第
首页
产品
新闻
联系