电力设备能效的水平分级
2022-07-26 乐动体育在线注册,乐动体育(中国)电气
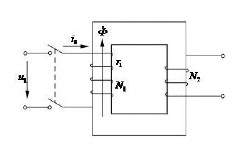
变压器励磁电流大小是否可以控制
PLC的IO模块(二)——模拟量和网络IO
2022-07-25 乐动体育在线注册,乐动体育(中国)
PLC的输入/输出(I/O)功能(一)——离散型模块
变频器在调试与使用过程中经常遇到的问题
自动控制系统的输入输出信号详解
2022-07-22 乐动体育在线注册,乐动体育(中国)
机组在线更换伺服阀,需要怎么组织准备?
2022-07-22 乐动体育在线注册,乐动体育(中国)阀门
6#机组DCS如何新增测点经验分享